
多维科技TMR磁开关传感器以低功耗(1~2μA)、高频响应(> 5000Hz)、可编程开关点和优异的温度特性,受到多家头部厂商青睐。作为工业自动化、消费电子、智能表计等领域的核心元件之一,其选型直接影响系统性能与可靠性。因此,TMR磁开关传感器在选型的过程中需要综合考虑磁路设计、敏感方向、芯片特性、环境适应性以及磁体等多方面因素。本文首先破除工程师的两大认知误区,再从TMR磁开关传感器的基础特性入手,逐一讲述,为工程师提供详细的选型攻略。
认知误区一
“ 霍尔传感器=磁传感器 ”
在进行磁传感器选型沟通的过程中,发现会有将霍尔传感器和磁传感器混为一谈的情况。

磁传感器是一种能够检测磁场(包括其强度、方向和变化)并将其转换为可用电信号(通常是电压、电流或数字信号)的电子器件,主要包括传统的霍尔传感器和高性能隧道磁电阻传感器两大类。霍尔传感器是第一代磁传感器,在不断发展的磁传感器技术进程中,磁阻型传感器已从第二代AMR(各向异性磁阻)传感器,发展到第三代GMR(巨磁电阻)传感器和第四代TMR(隧道磁电阻)传感器。霍尔传感器和磁电阻传感器在物理效应、材料结构、性能特性和应用场景上都有着较大的差异。

磁传感器技术发展趋势
认知误区二
“ 磁感应方向 = Z轴敏感 ”
在TMR磁开关传感器芯片的应用中,有反馈在使用后出现“信号无感应“的情况,经多维科技现场应用工程师排查发现,项目上磁铁和磁传感器的位置摆放,是按传统霍尔开关传感器的应用方案设计的。

通常情况下,霍尔效应是利用在电流平面施加垂直磁场,从而感应出电动势。所以霍尔传感器在应用时,磁场的敏感方向要垂直于器件封装表面(Z轴感应)。磁阻传感器的原理特性是只能感应在自由层平面内方向磁场变化。所以TMR磁开关传感器芯片在应用时,磁场的敏感方向要平行于器件封装表面。

霍尔开关(左)& TMR磁开关传感器(右)敏感方向示意图
随着技术工艺的不断发展,霍尔传感器也有实现水平感应的。同时,多维科技也有实现Z轴感应的TMR磁开关传感器。因此,在做应用方案设计时需清楚了解磁传感器的感应方向。
TMR磁开关传感器选型
1、单极型
多维科技TMR11xx系列产品
输出特性 :磁场存在时输出高/低电平,磁场消失后恢复初始状态
典型应用 :用于计数检测、液位检测、唤醒检测、到位检测、感应检测等
设计建议 :针对磁场环境复杂,对信号质量要求高、通常作为另一个磁场磁极的屏蔽设计,在磁铁装配过程中需要对磁铁磁极方向有管控

单极型TMR磁开关传感器磁场响应
2、双极锁存型
多维科技TMR12xx系列产品
双极锁存型TMR磁开关传感器是需磁场极性反转触发状态切换,输出信号在磁场移除后仍保持锁定。
触发条件 :磁场极性方向发生反转并且磁场达到触发阈值
输出特性 :输出状态在磁场极性反转时切换,零磁场时维持上一时刻状态
抗干扰优势 :因需极性反转,可有效抑制外部恒定磁场干扰
典型应用 :流量检测、转速检测、计量检测
设计建议 :通常应用在磁铁周期型旋转或者往复运动的场景

双极锁存型TMR磁开关传感器磁场响应
3、全极型
多维科技TMR13xx系列产品
全极型TMR磁开关传感器是对N和S极方向的磁场都敏感,输出信号随着磁场的强弱的变化而变化。
触发条件 :磁场强度绝对值≥阈值(如±25Gs),极性不敏感
输出特性 :磁场存在即触发,消失后复位,适用于简单存在检测
设计优势 :无需区分磁极方向,简化安装校准流程
典型应用 :到位检测、液位检测、计数检测、接近检测等
设计建议 :磁场环境较为良好,周边无剩磁,对感应磁铁的安装方向一般不做区分

全级型TMR磁开关传感器磁场响应
4、磁场感应方向

磁传感器有效感应方向θ角示意
图多维科技典型的单轴和双轴TMR磁开关传感器敏感方向,如图所示:

TMR磁开关传感器敏感方向示意图
典型的TMR磁开关传感器应用检测方向原理,如图所示:

液位检测应用磁路示意图

门磁开关应用磁路示意图
5、磁特性
工作点BOP:在磁开关信号处于磁场待响应状态下:随着磁场增大,存在一个磁场阈值点使得磁开关触发动作响应信号,此时的这个磁场阈值点称为BOP。
释放点BRP:在磁开关信号处于磁场响应状态下:随着磁场的变小,存在一个磁场阈值点使得磁开关信号得以释放,此时的这个磁场阈值点称为BRP。
回差BH:BOP和BRP在磁场数值上不是一个重合的关系,BOP和BRP之间的磁场差值为BH。
磁特性曲线6、功耗
低功耗是多维科技TMR磁开关传感器芯片的优异特性之一,在全时供电的情况下可以保持在2微安以下的电流消耗,在某些对功耗要求更严苛的应用场景中,可以通过分时供电使得TMR磁开关传感器的平均功耗保持在200纳安以下。
7、响应频率
响应频率是传感器可检测的磁场变化频率,反映其对动态磁场的实时响应能力。多维科技TMR磁开关传感器芯片有提供>1kHZ的典型响应频率,同时也有支持高频>5kHZ响应频率的芯片。
多维科技常规产品型号说明:

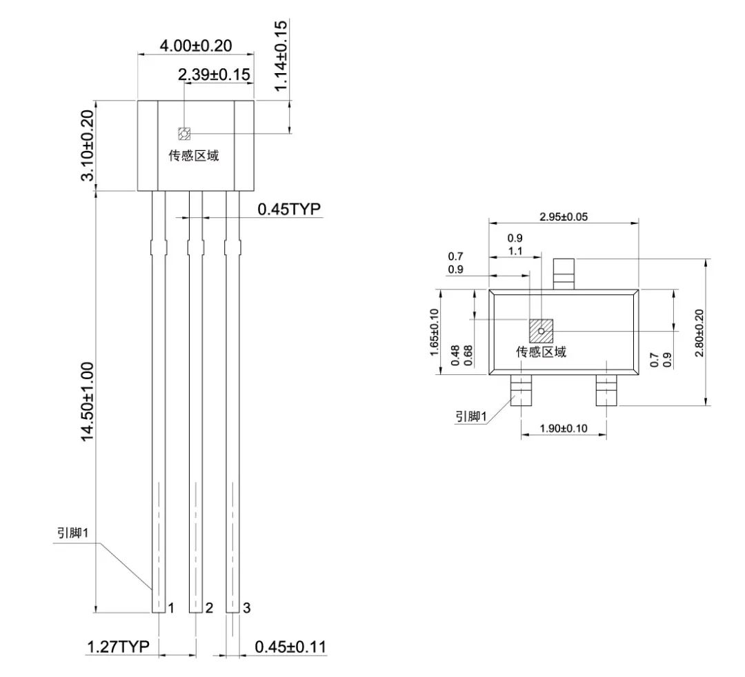
8、封装
多维科技 TMR 磁开关传感器芯片为了满足不同市场应用需求的特点,推出了多款封装类型,如:SOT23-3、TO92S、LGA3L、DFN4L等,工程师在进行产品选型时可以通过多维科技官网(www.dowaytech.com)发布的产品规格书中了解到每款产品封装的引脚定义,以及在封装图中查看TMR 传感区域在封装体中的位置。

TO92S(左)、SOT23-3(右)封装俯视图
9、输出方式
多维科技TMR磁开关传感器芯片提供两种输出方式,一种是CMOS(推挽输出),另一种是Open Drain(开漏输出)。CMOS主要应用在对单个传感器信号采集,Open Drain主要应用在多个传感器信号的串并联上。
10、工作温度
多维科技TMR磁开关传感器芯片典型支持温度为-40°-125°,也有可支持高温 -40°-150°的TMR磁开关传感器芯片。
11、常见磁体牌号及参数
多维科技TMR磁开关传感器芯片在实际应用场景下常用的磁体主要有四大类:包括钕铁硼(NdFeB)、铁氧体(Ferrite)、铝镍钴(AlNiCo)和钐钴(SmCo) 。
11.1. 钕铁硼(NdFeB)
特点:高磁能积、高矫顽力,但耐温性和耐腐蚀性较差(通常需镀层保护)
钕铁硼(NdFeB)特性参数:

11.2. 铁氧体(Ferrite)
特点:价格低、耐腐蚀、耐高温,但磁能积和剩磁较低
铁氧体(Ferrite)特性参数:

11.3. 钐钴(SmCo)
特点:高耐温性、耐腐蚀,成本高
钐钴(SmCo)特性参数:

11.4. 铝镍钴(AlNiCo)
特点:低矫顽力、高剩磁,耐高温但易退磁
铝镍钴(AlNiCo)特性参数:

11.5. 磁体关键参数说明
剩磁(Br):磁铁充磁后在外磁场为零时的磁感应强度
矫顽力(HcB):抵抗退磁的能力,值越高越不易退磁
内禀矫顽力(HcJ):衡量磁铁抗高温退磁的能力(尤其对钕铁硼重要)
最大磁能积(BHmax):磁体存储磁能的能力,值越高磁性能越强
高性价比 :铁氧体(Y30/Y35)
最强磁性 :钕铁硼(N52/N42EH)
高温环境 :钐钴(Sm2Co17)或钕铁硼高温系列(UH/EH)
防腐蚀 :钐钴或镀层钕铁硼(如镀镍、环氧树脂)
12、磁路仿真:磁场分布的可视化验证
磁路仿真是现代磁传感器应用设计的核心技术,通过数值模拟精准预测磁场分布、优化结构参数并验证抗干扰能力,大幅缩短研发周期并降低试错成本。
多维科技可根据客户需求,提供定制化的磁场仿真支持,进行磁场模型设计,磁场仿真输出,磁铁参数输出,协助客户确定磁铁尺寸、磁铁牌号以及充磁方向,优化磁铁体积,推荐应用方案,进一步提升降本空间,缩短客户项目开发周期。

典型磁路仿真图

江苏多维科技倾力打造的磁传感器晶圆IDM模式制造平台,经过十多年不断地累积,高度整合了供应链资源,在满足客户的批量采购需求的同时,最大程度地保障供应产品的质量一致性及稳定性。江苏多维科技为满足客户多元化的定制需要,将努力提供更多、更好的优质磁传感器芯片产品。

